본 내용은 www.youtube.com/watch?v=KKkhZkVAJWQ 를 보고 공부한 점입니다.
디지털 부품
●집적회로(ic칩) – 디지털 게이트(and, or등) 구성하는 전자 부품을 포함하는 실리콘 반도체 칩
ic칩은 매우 많으니 등록번호로 구분을 한다.
특정한 ic칩이 어떤 기능을 가지고 있는가를 알고싶다면 databook(pdf 파일)을 통하여 정보 확인이 가능하다.
데이터시트를 보면서 몇번 핀이 무슨 기능을 하는가를 알 수 있다.
데이터시트 = 해당 ic칩의 크기, 동작원리, 등 모든 것을 가지고 있다.
●집적회로 집적도가 얼마인가에 따라 구분
ssi 소규모 – 10개 이하의 게이트들로 구성

msi 중규모 - 10~200개 이하의 게이트들로 구성 (디코더, 멀티플랙서, 플릿플롭, 가산기)

lsi 대규모 – 200 ~ 1,000개 이하의 게이트들로 구성 (램 뒤에 붙혀 있는 조그만한 회로)

vlsi 초대규모 - 수천개 이상으 ㅣ게이트들로 구성 (cpu같은 것)

●집적회로 디지털 논리군으로 구분
ttl:Transister – Trasistor logic – 일반 로직 회로 부품
ecl: emitter coupled logic – 고속 논리 시스템용 부품, 굉장히 빠르다( ttl은 게이트에 나가는 것보다 빠르다., 비싸다.)
mos: motel oxcide semiconductor - 고밀도 집적회로용 부품
cmos:complement metal oxide semiconductor- 고밀도 회로, 단순한 제조공정, 저전력 특성( mos보다 더 전력이 덜들어 간다.) 이 기술 덕분에 적은 전력으로도 충분히 움직일 수 있게 만들 수 있다.
●ic칩에서 가장 많이 쓰인 조합회로? 디코더
디코더란? n비트의 이진 정보를 서로다른2^n개의 원소정보로 출력

8개의 출력중 1개만 사용한다. A2,A1,A0에 들어오는 값에 따라 1이되는 값이 1개만 있다. 그것만 출력이 된다.

nand 게이트로 이루어진 디코더가 더 효율적이고 경제적이다. 전부다 0에서 1로 전환하는 것은 비효율 적이다.
모든것이 1이고 입력이1이 되면0이 출력된다.
⚫인코더
디코더와 반대동작 수행
2^n의 입력에 대해n이진코드 출력
한번에 하나의 입력만이1의 값을 가질 수 있음
(ex)6을 넣으면 -> 110을 출력하는 것
⚫디코더, 인코더 다룰 때 주의할점
입력은 항상a2, a1, a0순서대로 써야 한다.
입력순서, 출력순서는 높은 비트가 먼저 나온다.
이건 규칙이다.
⚫멀티 플렉서 - n개의 선택 입력에 따라서2^n개의 출력을 하나의 출력에 선택적으로 연결
n개의 입력이 있다면 1개를 고른다. 고른 1개의 입력만 출력으로 내보낸다.

00이 들어가면 출력이i0이 나오는 의미이다.
4x1 MUX = 4x1 멀티플렉서이다.
버스(?) 로 이동할 때 쓰인다.(이 계념은 아직 모르겠다)
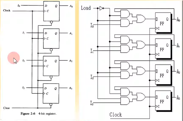
⚫레지스터 - n비트 데이터를 저장하는 반도체 소자로 구성된 논리 집단.
n개의 플립플롭과 조합 회로로 구성
기본레지스터 – 클럭펄스에 동기화된 경우에 입력값이 레지스터에 출력
저장레지스터에 값이 저장되어 있으면 출력이 항상 나와 있다.

입력이 4개인 레지스터이다.클럭 펄스가 들어오면i0~3까지의 값이 들어간다.
레지스터 이름 = 플립플롭 출력 이다.
오른쪽은 클럭펄스가 들어와도 load의 값이1이 되지 않으면 저장이 되지 않는다. and에 걸려 0으로 되기 때문이다.
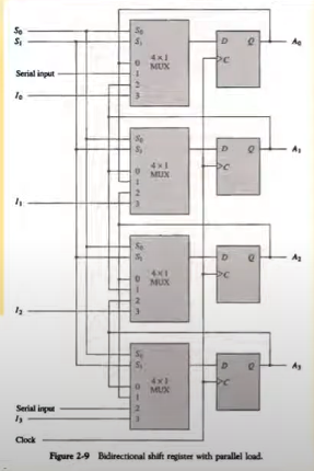
⚫시프트 레지스터 – 비트가 들어오면 왼쪽/오른쪽으로 비트를 이동시키는 것
레지스터에 저장된 이진 정보를 단방향/양방향으로 이동 가능한 레지스터

입력이 전에 있는 플립플롭의 값이 들어오기 때문에 값이 들어오면 비트가 밀려나게 된다.


10이면 아래에서 위쪽으로
01이면 위에서 아래쪽으로
11이면 그대로 병렬로 입력을 받는다.
위를 병렬 로드를 가지는 양방향 시프트 레지스터 라고 하는데 이를 줄여서 범용 레지스터라고 한다.
범용 레지스터를 그냥 레지스터라고도 부른다.
⚫이진 카운터 – 정해진 순서대로 상태 변이 수행

클럭, 외부입력에 따라 상태가 변한다.
카운터 자체가 레지스터이다.
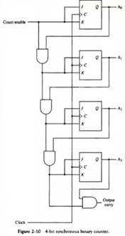
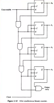
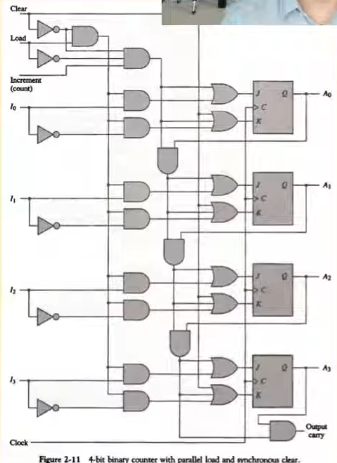
⚫병렬입력을 가진 이진 카운터 – 카운터의 초기값을 정할 수 있음


상승 클럭일 때 작동하는 회로인걸 알 수 있다. clear값이 1이면 clear가 되어 모든 값이0으로 나올 것이다.
만약 increment 값만 1이면1이 증가하게 된다.(ex 0011 -> 0100)
i0~3에 초기값을 넣어두고 load에1을 넣어두면 플립플롭에i0~3값이 저장될 것이다.
⚫메모리 장치 – 정보의 입출력 기능을 가지는 저장 요소들의 집합, 저장하고 데이터를 꺼내 쓸 수 있는 것
전공자가 생각하는 메모리란? word단위로 정보를 저장
word란? 메모리에서 데이터를 출력하거나 입력하거나 한번에 읽고 쓰는 데이터 단위의 그룹
한번에 메모리로 입출력 그룹의 크기가 16bit이면 16bit컴퓨터 이다.
64bit 컴퓨터란 cpu나 메모리에서 데이터를 주고 받는 단위가 64bit(8byte)이라는 것이다.
-Byte:워드의 기본 단위
-MB(10^6byte), GB(10^9byte), PB(10^12 byte)
기본레지스터 크기가 32bit이다.
⚫RAM(Random Access Memory)
random access란? 칩 내부에서 어디에 있든 상관없이 어느 데이터든 똑같은 접근 시간이 걸린다.
모든 데이터 위치에 대하여 동일한 접근 시간을 가진다.

word의 수가 2^k개 있다는 뜻이다.(디코더를 봤을때 오른쪽이 2^k만큼 있다는 뜻이다.)
메모리에서 address란? 어떤 주소를 줬을 때 주소가 메모리의 가서 그 위치를 가리키는 것
2^k를 출력하려면 k의 address가 필요 하다.
(ex) address가 10이고 read를 한다고 하면 10번지에 있는 값을 출력한다.
⚫ROM(Read Only Memory) – 읽기만 한다.
1word가 N비트이고 M워드를 저장하는 롬을N x M ROM이라고 한다.
ROM에 저장된M word를 접근할 수 있는 k개의 주소 입력해서2^k개 있는 것에 접근한다.

ROM의 종류
Mask Rom:반도체 위에 0101 입력값들이 찍혀져 나온다.
PROM:한번만 프로그램 가능
EPROM: uv에 의한 데이터 삭제(ROM 초기화) 및 재프로그래밍 가능
EEPROM: 전기 신호에 의한 데이터 삭제/초기화 및 재프로그래밍, 일정 레벨의 전기가 입력되었을 때 초기화가 된다.
기술의 진화로 RAM이ROM의 기능을 대신할 수 있다.
'Computer Science > 컴퓨터구조' 카테고리의 다른 글
| [컴퓨터 구조] 컴퓨터가 동작하는 경위 (0) | 2021.01.18 |
|---|---|
| [컴퓨터구조] 기본 컴퓨터 레지스터 (0) | 2021.01.17 |
| [컴퓨터 구조] 컴퓨터 동작 (0) | 2021.01.15 |
| [컴퓨터구조] 레지스터 전송과 마이크로 연산 (0) | 2021.01.14 |
| [컴퓨터구조] 데이터의 표현 (0) | 2021.01.13 |